船用气动对夹式中心型蝶阀

产品名称:船用气动对夹式中心型蝶阀
公称通径:DN100~600
公称压力:0.6~1.6Mpa
上海7188彩票阀门是生产船用气动对夹式中心型蝶阀厂家,可提供各种蝶阀规格型号,图片,价格,尺寸,图纸。
产品咨询热线:18717746989
船用气动对夹式中心型蝶阀船用气动对夹式中心型蝶阀
船用气动对夹式中心型蝶阀,是气动单元组合仪表中的执行单元,它来自调节仪表的信号,改变介质的切断与流通,该产品操作力大,阀体设计新颖,流阻小,额定流量系数大,密封性能优良。因而广泛应用于船舶、石油、化工、食品、泡塑等各工业部门的生产过程自动控制和远程控制交流中。

船用气动对夹式中心型蝶阀应用范围

中心蝶阀是一种用来实现管路系统通断及流量控制的部件,已在石油、化工、冶金、水电等许多领域中得到极为广泛地应用。

蝶阀分类

1、按结构形式分类 
(1)中心密封蝶阀 (2)单偏心密封煤阀 (3)双偏心密封蝶阀 (4)三偏心密封跺阀 
2、按结构形式分类 
(1)软密封蝶阀 1)密封副由非金属软质材料对非金属软质材料构成。 2)密封副由金属硬质材料对非金属软质材料构成。 (2)金属硬密封蝶阀 密封副由金属硬质材料对金属硬质材料构成。 
3.按密封形式分类 
(1)强制密封蝶阀 1)弹性密封蝶阀。密封比压由阀门关闭时阀板挤压阀座,阀座或阀板的弹性产生。 2)外加转矩密封蝶阀。密封比压由外加于阀门轴上的转矩产生。 (2)充压密封蝶阀。密封比压由阀座或阀板上的弹件密封元件充压产生。 (3)自动密封蝶阀。密封比压由介质压力自动产生。
 4.按工作压力分类
 (1)真空蝶阀工作压力低于标准大气压的蝶阀 (2)低压蝶阀公称压力PN<1.6MPa的蝶阀 (3)中压蝶阀公称压力PN为2.5--6.4MPa的蝶阀 (4)高压蝶阀公称压力PN为10。0--80.0MPa的蝶阀 (5)超高压蝶阀公称压力PN>100MPa的蝶阀 
5.按工作温度分类 
(1)高温蝶阀 t>450 ℃的蝶阀 (2)中温蝶阀 120 ℃<t<450 ℃的蝶阀 (3)常温蝶阀 一40℃<t<;120 ℃的蝶阀 (4)低温蝶阀 一100℃<t<一40 ℃的蝶阀 (5)超低温蝶阀 t<一100 ℃的蝶阀。 
6.按连接方式分类 
(1)对夹式蝶阀 (2)法兰式蝶阀 (3)支耳式蝶阀 (4)焊接式蝶阀 7.按驱动形式分 手动、蜗轮传动、电动、气动、液动、电液联动等执行机构。

船用气动对夹式中心型蝶阀特点

船用气动对夹式中心型蝶阀,是气动单元组合仪表中的执行单元,它来自调节仪表的信号,改变介质的切断与流通,该产品操作力大,阀体设计新颖,流阻小,额定流量系数大,密封性能优良。

船用气动对夹式中心型蝶阀工作原理

船用气动对夹式中心型蝶阀是由执行机构(气动、电动)与转角型蝶阀体二部份组成,中间由支架相连而成。以GIQ型为例:执行机构是由双气路气缸为主体,接受二位四通电磁阀控制输出的(0.4~0.6MPa)气源信号压力为动力,通过控制元件改变气流方向,执行气缸驱动蝶阀作启闭运动。可据据不同的材质,及不同的执行机构分类,适用于-25~200℃的介质

船用气动对夹式中心型蝶阀 生产标准:国标GB/CB、日标JIS、美标ANSI、德标DIN、公称压力:5K、10K、16K、PN、6PN1、0PN16、ANSI150、LB300LB,公称通径DN50-DN1200,阀体材质:球墨铸铁QT450、铸钢ZG230-450、不锈钢SUS、青铜BZ,阀板:不锈钢SUS、青铜BZ,阀座:丁晴橡胶NBR,聚四氟乙烯:PTFE、三元乙丙橡胶EPDM、氟橡胶FKM。

船用气动对夹式中心型蝶阀采用标准

设计制造 连接法兰 检验与试验
GB/T3036 JB/T919 GB/T6070 CB/T64 JB/T1079 JB/T6446

船用气动对夹式中心型蝶阀材料表

零件名称 阀体和蝶板 构件 密封垫(阀体、蝶板)
材料 铸铁,铸钢,不锈钢,青铜 2Cr13 丁腈橡胶
不锈钢,青铜 不锈钢 丁腈橡胶/氟橡胶

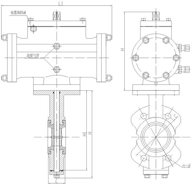
船用气动对夹式中心型蝶阀结构图与尺寸表

船用气动对夹式中心型蝶阀

船用气动对夹式中心型蝶阀

声明:
本文中所有文字、数据、图片均只适用于参考。需要查看更多的船用气动对夹式中心型蝶阀性能参数、结构尺寸参数、价格等详情,或要求高质量印刷样本,请联系我们。

· 电话:18717746989
· 邮箱:sales@shczvalve.com
 
7188彩票订货须知:
一、A:产品名称、型号、公称通径B:介质及温度、压力范围C:是否有附件、交货期、特殊要求等以便我们的为您正确选型。  
二、若已经由设计单位选定我公司的阀门型号,请您根据阀门参数直接与我们销售中心订购。  
三、当您使用的场合非常重要或环境比较复杂时,请您提供设计图纸和详细参数,我们的工程师专家会为您审核与分析。我们可以为您提供解决方案,包括设计、定做、成套、运行、服务。我们一直致力于阀门行业领域,为您提供船用阀门知识、服务、技术顾问。  
 
      感谢您访问我们的网站【www.shczvalve.com】,如有任何疑问,您可以致电给我们,我们一定会尽心尽力为您提供服务。本厂提供船用蝶阀船用闸阀船用止回阀船用调节阀、船用减压阀、船用呼吸阀、高速透气阀、船用快关阀船用自闭阀船用旋塞阀船用消防阀船用通海阀、船用防浪阀、船用滤器、船用空气帽船用球阀船用截止阀船用截止止回阀船用阀组、船用截止阀箱、船用针型阀、船用电磁阀、船用隔膜阀、船用压力表阀等各类船用阀门,不锈钢阀门。