设计标准:CB 1285
法兰连接尺寸: CB/T 64
结构长度:GB/T 12221-1989
压力试验:GB/T 13927-92; JB/T 9092-1999
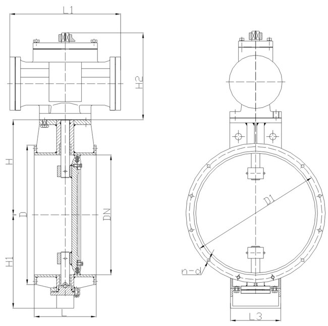
7188彩票船用气动蝶阀广泛应用于船舶、舰艇、游轮及海洋工程管路系统,由于船舶和海洋工程上管路空间及环境的限制,普通蝶阀操作及环境无法全部满足和适应其需求。本产品体积小,占有空间有限,并可进行远程控制操作,还可以和遥控系统连接后进行远程遥控作业,如船上气源及电源出现失源状态时,该类产品同时可在就地进行蝶阀启闭工作,本产品资源采集简单方便(压缩空气),蝶阀启闭灵敏(启闭速度1-3秒钟),远程控制系统配有启闭状态信号显示,故障报警和低压报警等原件,还可通过接口接入微机进行远程控制操业。7188彩票产品有远程控制箱、控制按钮、气动驱动头、就地操作驱动机构,行程限位开关,阀体、蝶板、阀杆、座圈等部件组成,产品可提供符合ISO标准、JIS标准和GB标准和各种规格供用户选择。
| 设计制造 | 连接法兰 | 检验与试验 |
|---|---|---|
| CB 1285 | JB/T919 GB/T6070 CB/T64 | JB/T1079 JB/T6446 |
| 零件名称 | 阀体和蝶板 | 构件 | 密封垫(阀体、蝶板) |
|---|---|---|---|
| 材料 | 铸铁,铸钢,不锈钢,青铜 | 2Cr13 | 丁腈橡胶 |
| 不锈钢,青铜 | 不锈钢 | 丁腈橡胶/氟橡胶 |
气动通风蝶阀,生产标准日标JIS、公称压力:5K、10K、16K、PN、6PN1、0PN16、ANSI150、LB300LB,公称通径DN50-DN1200,阀体材质:球墨铸铁QT450、铸钢ZG230-450、不锈钢SUS、青铜BZ,阀板:不锈钢SUS、青铜BZ,阀座:丁晴橡胶NBR,聚四氟乙烯:PTFE、三元乙丙橡胶EPDM、氟橡胶FKM。


声明:
本文中所有文字、数据、图片均只适用于参考。需要查看更多的船用气动通风蝶阀性能参数、结构尺寸参数、价格等详情,或要求高质量印刷样本,请联系我们。
· 电话:18717746989
· 邮箱:sales@shczvalve.com
7188彩票订货须知:
一、A:产品名称、型号、公称通径B:介质及温度、压力范围C:是否有附件、交货期、特殊要求等以便我们的为您正确选型。
二、若已经由设计单位选定我公司的阀门型号,请您根据阀门参数直接与我们销售中心订购。
三、当您使用的场合非常重要或环境比较复杂时,请您提供设计图纸和详细参数,我们的工程师专家会为您审核与分析。我们可以为您提供解决方案,包括设计、定做、成套、运行、服务。我们一直致力于阀门行业领域,为您提供船用阀门知识、服务、技术顾问。
感谢您访问我们的网站【www.shczvalve.com】,如有任何疑问,您可以致电给我们,我们一定会尽心尽力为您提供服务。本厂提供船用蝶阀、船用闸阀、船用止回阀、船用调节阀、船用减压阀、船用呼吸阀、高速透气阀、船用快关阀、船用自闭阀、船用旋塞阀、船用消防阀、船用通海阀、船用防浪阀、船用滤器、船用空气帽、船用球阀、船用截止阀、船用截止止回阀、船用阀组、船用截止阀箱、船用针型阀、船用电磁阀、船用隔膜阀、船用压力表阀等各类船用阀门,不锈钢阀门。